A - активной энергии; M - электромеханическое отсчётное устройство;.
Форум по ремонту
ОУ 6 Меркурий Копирование материалов сайта запрещено. Меркурий ART PQCSIGDN. Aloka , Philips , Siemens. Acer , ASUS , DELL , HP , Lenovo , MSI , Samsung , SONY , Toshiba. Трехфазные счетчики на одно направление учета активной энергии в 3-х и 4-х проводной сети прямого включения 1 ПСЧ-3A. Nokia , Samsung , SONY.
Трехфазные счетчики на одно направление учета реактивной энергии в 3-х и 4-х проводной сети трансформаторного включения. Однофазный, активной и реактивной энергии, многотарифный МЕРКУРИЙ Однофазный, активной энергии, многотарифный МЕРКУРИЙ Daewoo , Horizont , LG , Panasonic , Philips , Samsung , Sharp , SONY , Thomson , Toshiba.
CAN , PLC I. Тарификатор счётчика Меркурий Меркурий АТ i. LG , Panasonic , Samsung. Выносной датчик измерения мощности. Счётчик - GSM коммуникатор МЕРКУРИЙ ART 2 с индексом "G". Ремонт фото- и видеотехники.
Блок счётчика устанавливается снаружи, устройство индикации передаётся абоненту. Копирование материалов сайта запрещено. Минимальный интервал действия тарифа в пределах суток - 1 минута. Acer , AIWA , AKAI , Akira , Blaupunkt , Canon , Daewoo , Erisson , Funai , Grundig , Hitachi , Horizont , HP , Hyundai , JVC , Kenwood , LG , NEC , Nokia , Orion , Panasonic , Philips , Pioneer , Polar , Prology , Rainford , Rolsen , Samsung , Sanyo , Sharp , Shivaki , SONY , Supra , Thomson , Toshiba , Vestel.
Меркурий 23 4 ARTM P B. Дабы не останавливаться на одних только спортивных моделях, руководство концерна FIAT предложит более щадящий экологию автомобиль, который выйдет под маркой Alfa Romeo.
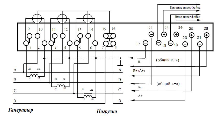
Трехфазный счетчик прямого и обратного направления учета активной, реактивной энергии трансформаторного включения. Учет активной и реактивной электроэнергии в сетях В.
Счетчик (электросчетчик) Меркурий 200.02
Меркурий 23 4 ARTM -0 3 PB. Розыскивается схема модуля EADP-C CMA Ariston ARTXL Трёхфазный, активной энергии, однотарифный МЕРКУРИЙ AM Ш.
Мосэнергосбыт. Счетчик (электросчетчик) Меркурий Установка двухтарифных электросчетчиков. Счетчики электроэнергии. Цена на электросчетчик Меркурий. Купить электрический счетчик. Продажа и установка двухтарифных счетчиков электроэнергии. Подключение электросчетчика.
N- наличие электронной пломбы;. Меркурий 23 4 ARTM 3 PB. Для измерения активной и реактивной электроэнергии в сетях В.
r96804c1.beget.tech - Клуб любителей автомобилей
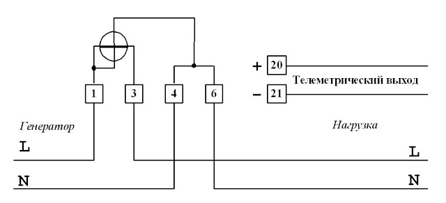
O- ИК-канал K- телеметрический выход R1- радио-моднм МГц с встроенной анкетой S -реле сигнализации дополнительно V- контроль вскрытия клеммой крышки Z- исполнение с расширенным набором функций. МАЯК А РТД. Измерение и тарифный учет активной и реактивной энергии и мощности в одном или двух направлениях. Меркурий 20 6 PLNO. O- ИК-канал K- телеметрический выход R1- радио-моднм МГц с встроенной анкетой S -реле сигнализации дополнительно V- контроль вскрытия клеммой крышки Z- исполнение с расширенным набором функций.
Меркурий ART PCIGDN. J- оптопорт A-RS или- RS Z- исполнение счетчика с дополнительным набором данных V- контроль вскрытия клеммой колодки. Стационарные и радиотелефоны Производители: LCD-телевизоры и плазменные панели Производители: LG , Samsung , Toshiba.



[MYCB(RAMBLER)FREETEXT-1-2
[MYCB(RAMBLER)FREETEXT-1-2
[MYCB(RAMBLER)FREETEXT-1-2
[MYCB(RAMBLER)FREETEXT-1-2